標簽: M401
在智能廚房領域中檢測溫度的高精度溫度傳感芯片
在現代快節奏的生活中,人們往往會面臨著繁忙的工作和家庭生活壓力,從而缺乏時間和精力去進行一些瑣碎的家務工作,比如做飯。但是,現如今的科技已經讓我們擁有了一個全新... 繼續閱讀 »
低功耗、高精度溫度傳感器芯片M401
M401是由浙江敏源推出的一款包含一路內部本地測溫及四路外部遠端測溫三極管(NPN 、PNP)或者二極管的數字溫度傳感器;芯片采用最新的CMOS數模混合工藝,遠... 繼續閱讀 »
應用在機房檢測環境溫濕度的多路數字溫度傳感芯片
機房:指電腦學習室;在IT業,機房普遍指的是電信、網通、移動、雙線、電力以及政府或者企業等,存放服務器的,為用戶以及員工提供IT服務的地方。小的幾十平米,一般放... 繼續閱讀 »
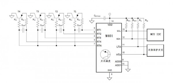
國產多路遠端測溫數字溫度傳感芯片M401性能參數
由工采網代理提供的M401是包含一路內部本地測溫及四路外部遠端測溫三極管(NPN 、PNP)或者二極管的數字溫度傳感器;遠端測溫點超過5路;其測量溫度范圍-55... 繼續閱讀 »
寬量程多路數字溫度傳感芯片M401產品參數介紹
工采網代理的國產品牌MYSENTECH推出的寬量程多路數字溫度傳感芯片 - M401基于新的 CMOS 數模混合工藝,包含一路內部本地測溫,四路可... 繼續閱讀 »
遠端測溫芯片M401替換TMP423,支持多芯片組網,遠端測溫點超過5路
工業和電表行業需要使用遠端測溫芯片,原理為外接三極管利用PN節溫度和帶隙電壓的比例關系測溫,設計靈活滿足分布式測溫需求。 一、行業內之前使用TI?TMP423較... 繼續閱讀 »
國產多點測溫溫度傳感芯片M401設計指南,含外圍器件選擇、軟件設計、溫度誤差
溫度傳感芯片 - M401作為工采網代理的國產品牌MYSENTECH推出的一款量程多路數字溫度傳感芯片,其測量溫度范圍-55~220oС,遠程可檢測4路,本地檢... 繼續閱讀 »
多路高溫測量傳感器芯片M401助力國產化服務器多點測溫,支持5路任意輸出組合
服務器在網絡中為其它客戶機(如PC機、智能手機、ATM等終端甚至是火車系統等大型設備)提供計算或者應用服務。其中實時的采集各點的溫度,用于故障判斷是比較重要的一... 繼續閱讀 »
本地測溫范圍為-55~125℃的多路數字溫度傳感芯片M401,待機電流為3μA
工采網代理的寬量程多路數字溫度傳感芯片 - M401,基于新的CMOS數模混合工藝,包含一路內部本地測溫,四路可驅動外部遠端測溫三極管(NPN 、PNP)或者二... 繼續閱讀 »
溫度傳感器M401用于智能電表端子,可實現4路遠端測溫,解決生產自動化問題
根據國家電表的新標準,計劃增加測量智能電表端子的溫度來提高故障判斷力。因此如何實現簡單準確的測溫是各個電表方案廠家目前比較關注的問題。有的方案是利用NTC來實現... 繼續閱讀 »
多路接觸溫度傳感器M401在智能電表端子測溫中需要考慮的因素
在智能電表端子測溫應用中,本文推薦由工采網代理的一款利用多路接觸溫度傳感器芯片 - M401來實現的方案,下面主要介紹在此方案中需要注意的問題及影響測量精度的因... 繼續閱讀 »















