工業和電表行業需要使用遠端測溫芯片,原理為外接三極管利用PN節溫度和帶隙電壓的比例關系測溫,設計靈活滿足分布式測溫需求。
一、行業內之前使用TI?TMP423較多,針對國內遠端測溫需求工采網代理的國產品牌MYSENTECH推出了更高性能的寬量程多路數字溫度傳感芯片 - M401,具體對比如下:
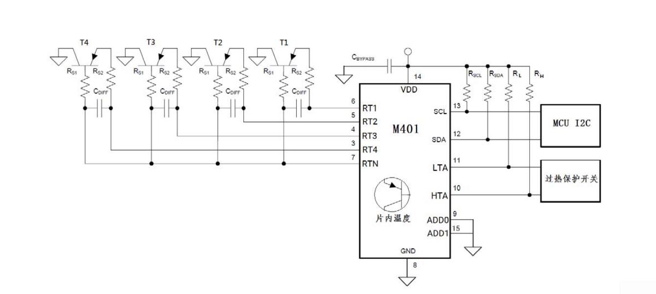
1、遠端測溫點更多:
M401帶4路遠端測溫,TMP423只有3路,加上本地的1路可以實現5路測溫功能。同時帶兩位I2C地址位,可以實現多芯片組網功能,做到更多點測溫。
2、測溫范圍更寬:
溫度傳感芯片 - M401支持200℃高溫,TMP423只有150℃;溫度范圍主要由三極管的耐溫性能決定,M401內置14位ADC,相比于TMP423的12位分辨率能支持更高溫度范圍的采集處理。
3、M401帶溫度報警接口,TMP423沒有:
M401帶溫度閾值報警接口,支持高溫和低溫報警;配置靈活,5路通道全部支持報警功能。
二、M401的使用:
作為數字化的測溫器件,I2C驅動比較簡單,難點在于根據使用的外接三極管性能不同,出廠前需要做溫度校準工作把校準參數寫到EEPROM里面。M401的校準流程如下面所示:
1、設定恒溫箱溫度T1,測試多個溫度取平均得到TM1;設定恒溫箱溫度T2,測得多個溫度取平均得到TM2;
2、計算N因子:N=INT(((T2-T1)/(TM2-TM1)-1) *8192)
3、計算偏移因子Tos,Tos=T1-TM1*(T2-T1)/(TM2-TM1)
4、將N和Tos參數寫入對應的寄存器RTxOSH、RTxOSL、RTxN即可。
轉載請注明出處:傳感器應用_儀表儀器應用_電子元器件產品 – 工采資訊 http://www.iohhome.com/18324.html





