根據國家電表的新標準,計劃增加測量智能電表端子的溫度來提高故障判斷力。因此如何實現簡單準確的測溫是各個電表方案廠家目前比較關注的問題。有的方案是利用NTC來實現,這種方案需要在端子上打孔,然后將NTC嵌入其中灌入導熱膠來導熱實現測溫功能,按照國家電網標準需求測量的端子的溫度范圍至少160度。此方案至少需要4顆NTC,成本高,插件的NTC生產時自動化程度不高,影響產能。
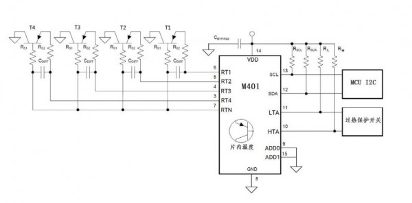
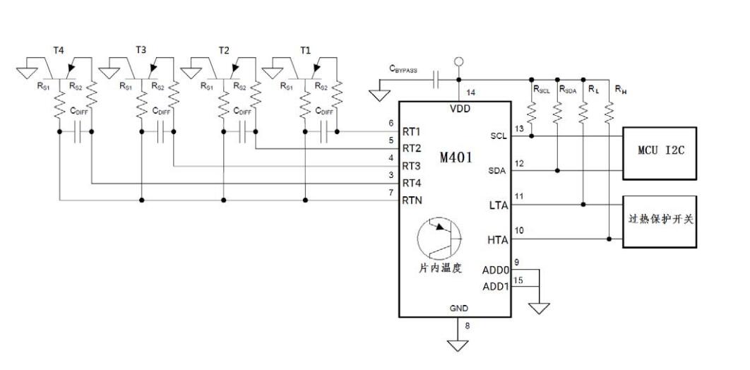
本文推薦一款由工采網代理的專門設計用于智能電表端子測溫的溫度傳感芯片 - M401,IIC通信接口,可配置采樣周期,帶2路過熱閾值判斷及報警功能。提供給用戶32bit額外的存儲空間,只需要搭配四路外部遠端測溫三極管或者二極管便可實現測溫,成本低。
應用在端子測溫的主要優勢是測溫范圍比較寬,-55~200oС。同時可以實現4路遠端測溫。低功耗設計,待機電流3uA。貼片封裝,自動化生產程度高。
其典型的應用電路如下:
轉載請注明出處:傳感器應用_儀表儀器應用_電子元器件產品 – 工采資訊 http://www.iohhome.com/17887.html






