在智能電表端子測溫應用中,本文推薦由工采網代理的一款利用多路接觸溫度傳感器芯片 - M401來實現的方案,下面主要介紹在此方案中需要注意的問題及影響測量精度的因素,為工程師設計提供參考,節省開發周期。
在此方案中有幾個技術難點是工程師在設計時必須要考慮的:首先是接觸式測溫方案中比較重要的一點是如何將熱量傳導到溫度芯片中,以保證測量的精度。其次是產品量產時自動化生產問題。就是產品的一致性及穩定可靠性問題。針對這幾點我們分別給出解決方案如下:
首先,關于接觸測溫中熱量傳導問題,這里推薦采用定制的固定形狀的導熱棉來實現。在選型時需要考慮導熱棉的導熱系數,耐高壓,阻燃等,且有一定彈性,以保證結構設計中的安裝方便,導熱效果等。需要注意的導熱棉安裝時不要有空隙,會降低導熱效果。
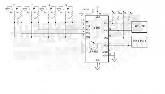
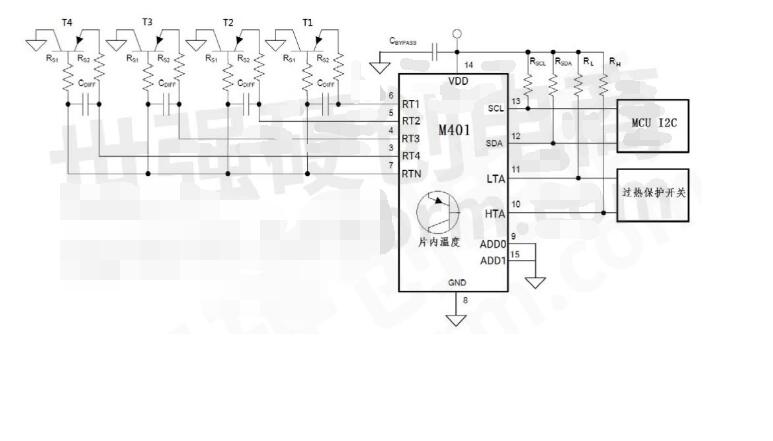
其次,推薦使用多路溫度傳感器芯片 - M401,它在遠程端測量是通過三極管來采集溫度,便于自動化生產。此芯片可測量溫度范圍-55~220oС,靜電防護HBM 8KV,MM 700V。且內部有I/O抗毛刺濾波器降低了干擾,而且集成測溫端開路、短路檢測,提高了可靠性;溫度數據有奇偶校驗和內置EEPROM,為用戶自定義設計及可靠性提供了保障。
關于如何保證產品的一致性和穩定性。此方案是采用定制的導熱棉,保證了導熱材料的一致性高,通過三極管作為溫度感測探頭,且芯片內部自帶一路本地測溫,可以進行校準和標定。
轉載請注明出處:傳感器應用_儀表儀器應用_電子元器件產品 – 工采資訊 http://www.iohhome.com/17854.html







