電動玩具的工作原理主要基于電動機將電能轉化為機械能,通過齒輪等傳動裝置驅動玩具部件運動。當電池通電后,電流通過電動機線圈產生旋轉力,帶動玩具部件(如車輪、機械結構)運轉。
不同類型電動玩具的原理:
回輪類?:底部安裝回輪作為主動輪,遇到障礙物時回輪改變方向使玩具轉彎。
不落地類?:通過內部機芯感應桌沿位置,觸發后退或轉向動作避免跌落。
軌道類?:金屬軌道通過導電實現電機驅動,或通過傳動機構提升玩具滑行。
行走類?:通過電池驅動電機帶動齒輪組,實現直立行走或四肢爬行動作。
模擬類?:內置小燈泡、喇叭等元件,將電能轉化為光和聲音效果。
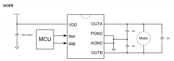
工采網代理的國產電機驅動芯片 - SS6216是為低電壓下工作的系統而設計的直流電機驅動集成電路,單通道低導通電阻。具備電機正轉/反轉/停止/剎車四個功能。SS6216內置溫度保護功能,當芯片溫度急劇升高,內部電路關斷內置的功率開關管,切斷負載電流。
它采用PWM控制接口,并能夠支持2節鋰電池的使用。此外,SS6216還可以兼容替代市場上的其他型號,如FM116C、TC118S、MX116L、SA113和TMI8118等。
SS6216的工作電壓范圍為2.0V至7.2V,每個通道的負載電流可達1.4A,峰值輸出電流為1.6A。它的低待機電流僅為0.1uA,低導通電阻為0.6ohm;這些特性使得SS6216能夠滿足小型化產品的需求。
此外,SS6216還具有內置的過熱保護功能,可以提供安全保障。它還包括下沉和下降外部供應商實施的采購電流限制傳感器、欠壓鎖定、過電流保護(OCP)和熱停堆等內部安全特征。溫度過高時,它還可以輸出標志以指示熱關機。
典型應用電路圖:
馬達驅動芯片 - SS6216的特性:
工作電壓范圍: VDD =2.4V to 7.2V
低待機電流 : (typ. 0.1uA)
內置過熱保護功能
低導通電阻 : 0.6ohm (SOP8)
電機驅動IC - SS6216的應用領域:
玩具
智能鎖,掛鎖
直流有刷電機驅動
車載夾
工采網提供各類【步進電機-直流有刷電機-無刷電機】驅動芯片可完全PIN TO PIN兼容替代TI德州儀器-NXP-ST意法-ON安森美-MPS芯源-ROHM羅姆-英飛凌等眾多品牌電機驅動芯片.歡迎聯系“在線客服”獲取相關報價、樣品申請。
轉載請注明出處:傳感器應用_儀表儀器應用_電子元器件產品 – 工采資訊 http://www.iohhome.com/42200.html






