雙通道直流馬達驅動器是一種能夠獨立控制兩個功率通道的電子驅動裝置,廣泛應用于電機控制、電源管理和工業自動化領域。這種高度集成的驅動解決方案通過精密的信號處理和功率放大技術,為執行機構提供穩定可靠的控制信號。
雙通道直流馬達驅動器通常包含兩個獨立的信號處理通道,每個通道由前置放大器、隔離電路和PWM調制器組成。數字信號處理器(DSP)或專用控制芯片實現通道間的協同控制和保護邏輯,確保兩個通道既能獨立工作又能精確同步。
每個通道配備獨立的半橋或全橋功率輸出級,采用MOSFET或IGBT作為開關元件。高端設計集成電流檢測和溫度監控功能,輸出電流能力從幾百毫安到數十安培不等,滿足不同負載需求。
優質雙通道驅動器的通道間隔離度通常超過60dB,確保信號和功率互不干擾。采用獨立電源供電和磁隔離技術可進一步提高隔離性能,特別適合精密控制應用。
工采網代理的電機驅動芯片 - SS6226是一款7V雙通道直流馬達驅動器,是為低電壓下工作的系統而設計的直流電機驅動集成電路,雙通道低導通電阻。具備電機正轉/反轉/停止/剎車四個功能。適用于遙控玩具車、小家電、打印機、智能家居、工業設備等機電一體化電機應用等領域。
SS6226 內置溫度保護功能,當芯片溫度急劇升高,內部電路關斷內置的功率開關管,切斷負載電流。
該芯片支持2.4V-7.2V電壓范圍,可以輸出2A的峰值電流,且內置了電流調節功能;能實現雙向控制電機,并利用電流衰減模式通過脈寬調制來控制電機轉速,H橋由兩路邏輯輸入控制,每個橋臂都包含一個高邊和一個底邊的N溝道MOSFET,其導通電阻為0.6Ω。
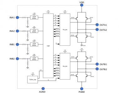
功能圖:
馬達驅動芯片 - SS6226的特性:
工作電壓范圍: VDD =2.4V to 7.2V
低待機電流 : (typ. 0.2uA)
內置過熱保護功能
低導通電阻 : 0.6ohm (SOP16)
電機驅動器 - SS6226的應用:
玩具
小家電
直流有刷電機驅動
深圳率能半導體在電機驅動領域深耕多年,技術以及產品方面已經很完善,如果想了解更多電機驅動的技術資料,請登錄工采網官網進行咨詢。
轉載請注明出處:傳感器應用_儀表儀器應用_電子元器件產品 – 工采資訊 http://www.iohhome.com/42064.html






