遙控玩具車的基本工作原理是通過無線電遙控器發送信號,這些信號被玩具車內的接收器接收并解碼,從而控制玩具車的運行。根據車身外型的不同,可以分為:普通的私家房車、越野車、貨柜車、翻斗車等等。遙控器的操作,如前進、后退、左轉或右轉,都是通過發送特定的編碼信號來實現的。這些信號經過外圍電路解調后,由接收芯片內部的解碼電路進行解碼,然后發出相應的控制信號來控制汽車的運行。
在玩具車的內部,電機是驅動其前進的核心部件。玩具車電機的工作原理是通過電刷將電流引入定子上的線圈,產生旋轉磁場,使轉子轉動,從而驅動玩具車前進。具體來說,當電流通過線圈時,會產生磁力線,使定子和轉子之間產生磁場,轉子受到磁力的作用開始轉動。當轉子轉動時,定子上的線圈與轉子之間的磁力線方向發生變化,從而產生不同的旋轉磁場,使轉子持續轉動。這種小型、輕量、高效的電機能夠為玩具車提供持久而穩定的動力。
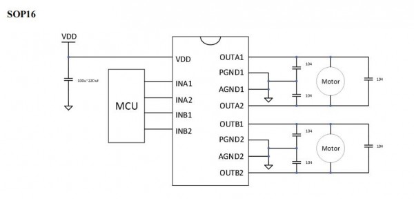
工采網代理的電機驅動芯片 - SS6226是一款7V雙通道直流馬達驅動器,適用于遙控玩具車、小家電、打印機、智能家居、工業設備等機電一體化電機應用等領域。
該芯片支持2.4V-7.2V電壓范圍,可以輸出2A的峰值電流,且內置了電流調節功能;能實現雙向控制電機,并利用電流衰減模式通過脈寬調制來控制電機轉速,H橋由兩路邏輯輸入控制,每個橋臂都包含一個高邊和一個底邊的N溝道MOSFET,其導通電阻為0.6Ω。
SS6226 是為低電壓下工作的系統而設計的直流電機驅動集成電路,雙通道低導通電阻。具備電機正轉/反轉/停止/剎車四個功能。
SS6226 內置溫度保護功能,當芯片溫度急劇升高,內部電路關斷內置的功率開關管,切斷負載電流。
典型應用電路圖:
馬達驅動芯片 - SS6226的特性:
工作電壓范圍: VDD =2.4V to 7.2V
低待機電流 : (typ. 0.2uA)
內置過熱保護功能
低導通電阻 : 0.6ohm (SOP16)
深圳率能半導體在電機驅動領域深耕多年,技術以及產品方面已經很完善,如果想了解更多電機驅動的技術資料,請登錄工采網官網進行咨詢。
轉載請注明出處:傳感器應用_儀表儀器應用_電子元器件產品 – 工采資訊 http://www.iohhome.com/37146.html






