電源IC(電源管理IC)是開關電源中實現脈寬控制集成的核心元件,主要用于調控電子設備的電壓與電流穩定性,應用領域涵蓋手機、服務器、便攜設備等。
其功能從基礎穩壓擴展至DC/DC轉換、LDO穩壓、電池管理及PWM控制等多模塊集成,形成高度整合的電源管理單元(PMU)。典型組件包括LDO(低噪聲、低壓差)、DC/DC(高效能升降壓)、PWM控制器及功率MOSFET等。該器件通過脈寬調制技術調節脈沖信號占空比控制能量傳輸,配合反饋機制實現穩壓或恒流。
PMIC,即電源管理芯片,是電子設備中負責電壓轉換、穩壓、電池管理等關鍵功能的集成電路;在UHD 60Hz顯示屏中PMIC能自動偵測和調節電壓,確保屏幕穩定高效運行,并優化能耗,實現性能和功耗的平衡;提供各種電壓,并具備過壓、欠壓、過流、熱故障等保護功能,能提升色彩和分辨率表現,同時降低功耗,使得顯示屏在保持高畫質的同時能夠保持低能耗。
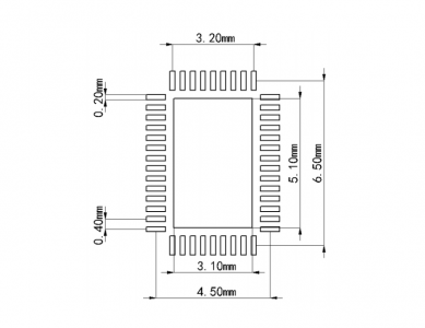
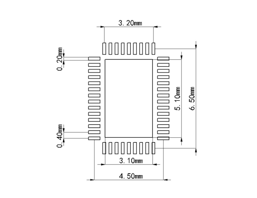
工采網代理的電源管理芯片 - iML1942是一個高度集成的電源管理IC。它具有完整的I2C接口來編程各種參數。iML1942設備包括各種保護功能,如輸入欠壓鎖定(UVLO)和過溫關閉(OTP)。輸出端包括欠壓保護(UVP)和短路保護(SCP)。有一個WQFN 46針6.5 mm X 4.5 mm,底部暴露的熱墊,以提供較佳的散熱。該設備的額定工作范圍為-40至+85°C溫度范圍。
需要在COMP引腳上配置一個RC電路來穩定閉環系統。通過調節RCOMP參數設置高頻積分器增益以實現快速瞬態響應,同時通過調整CCOMP參數設定積分器零點以維持系統穩定性。補償值初始應按應用電路建議的參數設置,并根據實際需求進行微調。為優化瞬態響應性能,建議采用20%步長調節RCOMP,50%步長調節CCOMP,同時實時監測瞬態響應波形的變化。
電源管理集成電路(IC)是一種芯片,負責電子設備系統中電能的轉換、配電、檢測和其他電源管理。其主要負責將源電壓和電流轉換為可由微處理器、傳感器等負載使用的電源。電源管理芯片(PMIC)的核心工作原理是通過電壓轉換、動態調節和保護機制,為電子設備提供穩定可靠的電能管理。
電源管理芯片的主要作用包括電源管理、充電管理和電池管理。電源管理方面,它能夠轉換電壓和電流以適應不同電子元件和電路的需求,并提供穩定的電源輸出;充電管理方面,它能夠監測和控制設備電池的充電狀態,提供恰當的充電電流和電壓;電池管理方面,它能夠監測和管理設備電池的電量,確保電池的安全和性能。電源管理芯片的工作原理主要基于反饋環路機制,通過感知輸出電壓的變化并與設定的參考電壓進行比較,調整控制信號以改變開關管的導通時間或頻率,從而保持輸出電壓的穩定。
WQFN-6.5X4.5毫米封裝的布線模式:?
電源管理芯片 - iML1942的特性:
8.6V至14.7V的電視輸入電源電壓范圍
4.3V至6V的輸入電源電壓范圍為MNT
全I2C接口控制
AVDD、VBK1、VGH、VGL、1位可選擇切換頻率(500 kHz/750kHz)
可選的內部或外部MOSFET驅動器增壓調節器的AVDD:
- 13.5V至19.8V的輸出電壓范圍
VBK1的同步吸盤調節器:
- 1.8V至3.35V的輸出電壓范圍
用于HAVDD的大電流可編程放大器:
- 7位分辨率
- ±200mA輸出短路電流
可選的反向調節器轉換器或充電泵調節器的VGL:
- -3V至-18V的輸出電壓范圍
- 溫度補償輸出
VSS1的負線性調節器:
- -3V至-16V的輸出電壓范圍
- 采購和連接能力
可選的增壓調節器或更換泵調節器的VGH:
- 20V至45V的輸出電壓
- 溫度補償輸出
封裝:
-WQFN 6.5x4.5-46
-WQFN 6x6-48L
工采網作為國內工業品批發供應商平臺,所有產品均來自于原始生產廠商直接供貨,給用戶提供高效的技術支持和原廠的質量保證及售后服務,價格優惠歡迎新老戶客咨詢熱線獲取更多更詳細的電源管理芯片(PMIC)產品信息。
轉載請注明出處:傳感器應用_儀表儀器應用_電子元器件產品 – 工采資訊 http://www.iohhome.com/44993.html






