空氣凈化器又稱“空氣清潔器”、空氣清新機、凈化器,是指能夠吸附、分解或轉化各種空氣污染物(一般包括PM2.5、粉塵、花粉、異味、甲醛之類的裝修污染、細菌、過敏原等),有效提高空氣清潔度的產品,主要分為家用 、商用、工業、樓宇。
空氣凈化器在居家領域以單機類的家用空氣凈化器為市場的主流產品。主要的功能是去除空氣中的顆粒物,包括過敏原、室內的PM2.5等,同時還可以解決由于裝修或者其他原因導致的室內、地下空間、車內揮發性有機物空氣污染問題。
與民用的空氣凈化器相比,在一些工業場所中,空氣中固有和因作業所引起的灰塵顆粒或有害物質,要比日常生活中的含量更高因而工業空氣凈化器的功能更為強大,所需處理的有害氣體和物質也更為復雜。
在工業空氣凈化器中對以活性炭作為主要成分起到顆粒吸附作用,然而在凈化器中的活性炭過濾網進行吸附時,會更快的被“消耗”掉,從而失去過濾作用,所以過濾網的及時更換十分重要,通過空氣流量傳感器對過濾網另一端氣流速度的檢測,從而能夠在過濾網因吸附接近“飽和”,即因氣流受阻使得通過氣體流量傳感器的流速低于了設定值時,能夠及時發出報警提示信息,通知工作人員更換過濾網,以此保證凈化器的工作效益。可見氣體流量傳感器的使用將有助于工業空氣凈化的監測。
為了更好的發揮空氣凈化器在工業環境中的監測作用工采網提供了一款氣體流量傳感器 - FS5001B。FS5001B系列氣體流量傳感器是專門為各類小流量氣體的測量和過程控制而設計的。這一系列傳感器均采用本公司自主研發的微機電系統(MEMS)流量傳感器芯片來制作,適用于各類清潔、干燥氣體。傳感器采用標貼式安裝,使安裝尺寸更加緊湊,可以很容易的實現在小空間內的多傳感器集成。
FS5001B系列氣體流量傳感器產品特點
傳感器靈敏度高,有極小的始動流量
表貼式安裝,結構緊湊
多種信號輸出
零點穩定度高
全量程高穩定性、高精確度和優良的重復性
低功耗、低壓損
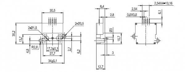
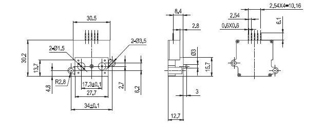
FS5001B系列氣體流量傳感器機械尺寸
FS5001B系列氣體流量傳感器技術參數
?
轉載請注明出處:傳感器應用_儀表儀器應用_電子元器件產品 – 工采資訊 http://www.iohhome.com/7254.html








