工采網代理的國產電容式觸控芯片?- CT8225是一款使用電容感應式原理設計的觸摸芯片。此芯片內建穩壓電路供觸摸傳感器使用,穩定的觸摸效果可以應用在各種不同應用上,人體觸摸面板可以通過非導電性絕緣材料連接,主要應用是以取代機械開關或按鈕,此芯片可以獨立支持6個觸摸鍵。
國產電容式觸控IC采用CMOS工藝,內建穩壓和驅動電路,具有高可靠性、高靈敏度、超低功耗、強穩定性、抗干擾能力強、寬工作電壓等方面優點,專為取代光感和傳統按鍵開發而設計。
當其他條件固定時,在可用范圍(1pF≦CJ0~CJ1≦50pF,1pF≦CJWA≦50pF)內增大CJ0~CJ1,CJWA的值將降低靈敏度。當不連接任何電容,即在電容連接處處于懸空其靈敏度為較大。電容CJ0~CJ1用于調節工作模式下按鍵的靈敏度。電容CJWA用于調節睡眠模式下喚醒靈敏度。
CT8225具有兩種輸出類型,CMOS類型輸出和OD(漏極開路)類型輸出。這兩者通過TP0(OPDEN)選擇。默認為CMOS類型,即TP0(OPDEN)不連接高阻值電阻到GND。當TP0(OPDEN)連接高阻值電阻到GND時,選擇為OD類型輸出。
靈敏度調節:PCB 板上感應焊盤尺寸大小及走線會直接影響靈敏度,因此靈敏度調節需要根據實際應用的 PCB 應 進行調節,CT8225 提供一些外部調節靈敏度的方法。
改變感應焊盤尺寸大小:若其他條件固定不變,使用一個較大的感應焊盤將會增大其靈敏度,反之靈敏度將下降,但是感應焊 盤的尺寸大小也必須是在其有效范圍值內。
改變面板厚度:若其他條件固定不變,使用一個較薄的面板也會將靈敏度提高,反之靈敏度則下降,但是面板的厚度 必須低于其較大值。
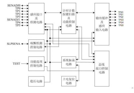
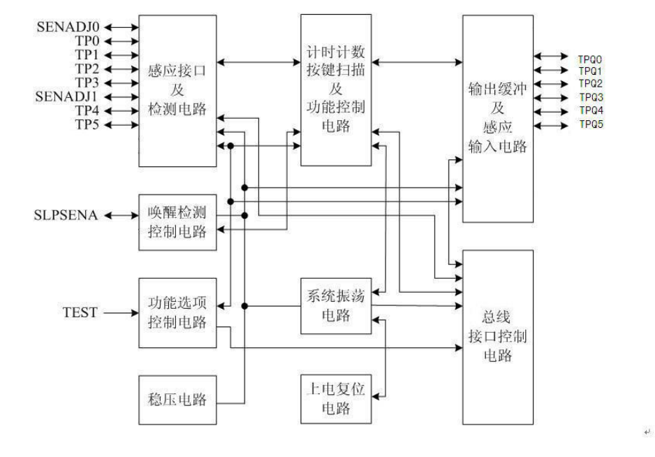
功能模塊圖:
電容式觸摸芯片 -?CT8225的特性:
工作電壓:2.5V~5.5V(啟用內部穩壓電路)
內建穩壓電路功能
待機電流
-3V 電壓,低速采樣率 8Hz 的睡眠模式下典型值 4.5uA
提供 6 個直接輸出獨立端口
6 個直接輸出端口可以選擇不同輸出類型(CMOS/OD/OC 具有高/低電平有效)
具有選項選擇有效鍵較大輸出時間大約為 80Sec
靈敏度可由外部電容(1~50pF)調節
上電后需要 0.5Sec 穩定時間
-在此期間內請勿觸摸按鍵面板,所有的功能觸摸無效
自動校準
-當所有按鍵在一段時間內沒有被觸摸到時,芯片系統重新校準時間約為 4.0Sec
電容式觸摸芯片 -?CT8225的應用:
TWS藍牙耳機
智能音響
AI智能
益智玩具
智能家居
在國產電容式觸控芯片領域,武漢光華芯生產的國產電容式觸控芯片便是其中的佼佼者。了解更多關于武漢光華芯國產電容式觸控芯片的技術應用,請登錄工采網官網進行咨詢。
轉載請注明出處:傳感器應用_儀表儀器應用_電子元器件產品 – 工采資訊 http://www.iohhome.com/41920.html






