工采網代理的LED驅動芯片 - WD35-S28T是一款交流直接式LED驅動集成電路,具備內部兩步式和外部兩步式兩種工作模式。該器件可直接從整流后的交流電壓驅動多顆串聯LED,由于所需外圍元件極少,將極大簡化設計難度。該驅動芯片具有更高的LED電流驅動能力,且可通過外部電阻調節輸出電流。WD35-S28T將助力工程師在LED照明領域開發出兼具能源效率、設計效率與成本效益的卓越產品。
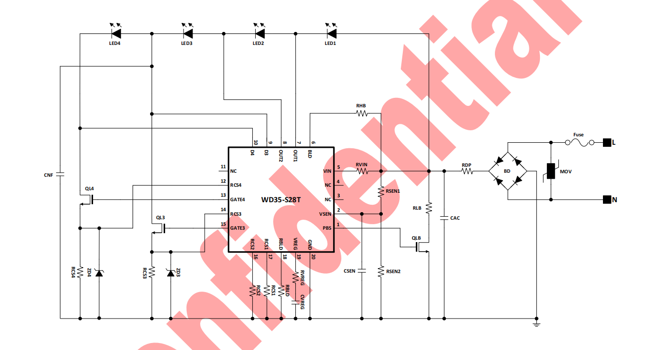
WD35-S28T是一款(2+2)通道LED照明驅動集成電路,通過內置2個高壓場效應晶體管通道和外置2個高壓MOSFET驅動通道,實現對LED照明系統亮度的恒流控制。該器件可通過4個外部電阻調節LED恒流值。
WD35-S28T的結溫不得超過其較高限值。當結溫超過160°C時,WD35-S28T會使所有LED熄滅。當結溫低于過溫保護的溫度遲滯值時,WD35-S28T將恢復正常運行。
WD35-S28T可與TRIAC調光器配合使用。要正確使用TRIAC調光器,必須在VSEN、VIN和GND引腳上添加電阻網絡。
隨著VSEN引腳電壓降低,各步輸出電流均減小,但泄放電流增大。該操作提升了與不同廠商TRIAC調光器的兼容性,并改善了調光特性。
典型應用圖:
LED驅動IC - WD35-S28T的特性:
LED從交流線路直接驅動
寬輸入范圍:90VAC~305VAC
內置2通道與外置2通道的恒流驅動
每步可調驅動電流
兼容三端雙向可控硅(TRIAC)調光
包括泄放電流以提供三端雙向可控硅調光器的維持電流
包括為外部MOSFET提供晶閘管調光器閉鎖電流的柵極驅動器
憑借保持電流和閉鎖電流特性,具有優異的雙向可控硅調光器兼容性
優異的功率因數 > 0.9
總諧波失真降低 <15%
過熱保護
電磁干擾安全操作
熱增強型QFN 20引腳封裝
LED驅動器 - WD35-S28T的應用:
交流直驅LED燈應用
下射燈
高頂燈
路燈
?LED驅動芯片的工作原理?主要包括電壓轉換和電流調節,以確保LED在較佳條件下工作。LED驅動芯片通過將輸入的電源轉換為適合LED工作的電信號,確保LED能夠穩定、高效地發光。
LED驅動芯片首先將輸入的電源電壓轉換為適合LED工作的電壓。例如,當輸入的是較高電壓的直流電時,芯片內部的電路會通過一系列操作,如開關控制、電感電容儲能等,將電壓降低到適合LED工作的水平?。
LED驅動芯片通過內部電路精確調節電流,使其穩定在LED所需的數值。這通常涉及使用一個電流傳感器來監測輸出電流,并將實際電流與設定的目標電流進行比較,通過反饋機制保持LED的恒定電流輸出?。
韓國Wellang在LED驅動領域深耕多年,是該領域的佼佼者,想了解更多LED驅動芯片技術應用,請登錄工采網進行咨詢。
轉載請注明出處:傳感器應用_儀表儀器應用_電子元器件產品 – 工采資訊 http://www.iohhome.com/41714.html






