工采網代理的SS8100是一款高效率、恒電流、降壓型半橋DC/DC轉換器驅動芯片,其較大電流輸出能力超過15A,PWM調光分辨率超過50000:1。SS8100有同步模式和異步模式兩種工作模式可供選擇,客戶可以根據自己的需求來靈活設計。SS8100具有良好的線性度和穩定的恒流特性,可以精確調光并在惡劣供電條件下穩定工作。
LED控制器 - SS8100采用遲滯式恒定關斷時間的工作模式,無需添加外部補償設計,使用方便。其輸出電流能力既可以通過不同阻值的外接電阻(Rcs)調整,也可以通過調節模擬調光控制引腳IADJ上的電壓來實現。電流能力可達15A以上。通過DIM管腳輸入PWM信號來靈活實現對LED的調光控制。
針對低灰度調光特性進行系統運算優化,實現低灰調光無抖動及閃爍問題,使LED有更好的線性度調光特性。PWM及線性調光雙重控制并存,可執行獨立調光電流控制。
SS8100提供一系列保護功能,包括欠壓鎖定保護(UVLO)、過熱保護(OTP)、LED開路與短路保護,輸出欠壓保護功能等。SS8100使用具有散熱片的封裝,因此系統可以在大電流通過時穩定工作。
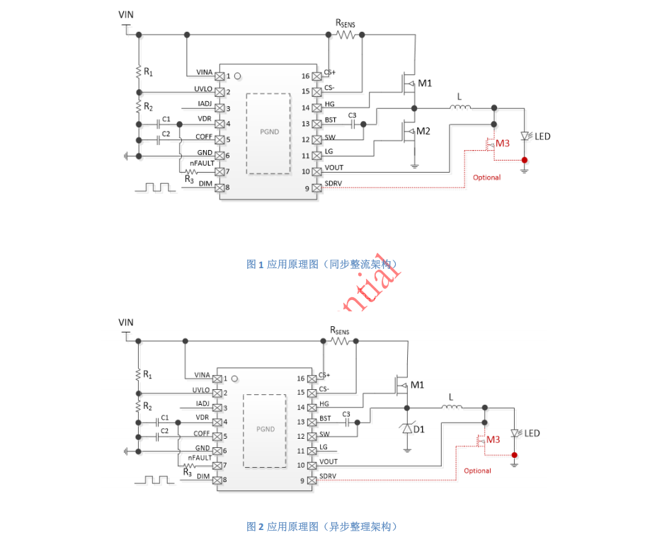
典型應用電路:
LED驅動芯片 - SS8100的特性:
大于15A輸出電流能力
50000:1以上高PWM調光分辨率
模擬調光比250:1
寬泛的輸入電壓范圍: 8V~65V
開關頻率可調整
封裝:eTSSOP16
良好的線性度
穩定的恒流特性
保護特征
- VCC 欠壓鎖定
- 過流保護
- 過熱保護
- 輸出欠壓保護
- LED開路保護
LED驅動IC - SS8100的應用:
舞臺照明
汽車照明
影視燈光
投影儀
工業照明LED驅動
深圳率能半導體在LED驅動領域深耕多年,技術以及產品方面已經很完善,如果想了解更多LED驅動的技術資料,請登錄工采網官網進行咨詢。
轉載請注明出處:傳感器應用_儀表儀器應用_電子元器件產品 – 工采資訊 http://www.iohhome.com/41455.html






