工采網代理的國產模數轉換芯片 - MS9280是一款單芯片、單電源、10bit、50MSPS模數轉換器;內部集成了采樣保持放大器和電源基準源。MS9280使用多級差分流水線架構保證了50MSPS數據轉換數率下全溫度范圍內無失碼。
MS9280的輸入適合圖像視頻和通信系統應用;用戶可以根據實際需要選擇單端輸入或者差分輸入,也可根據需要選擇輸入范圍和消除失調。
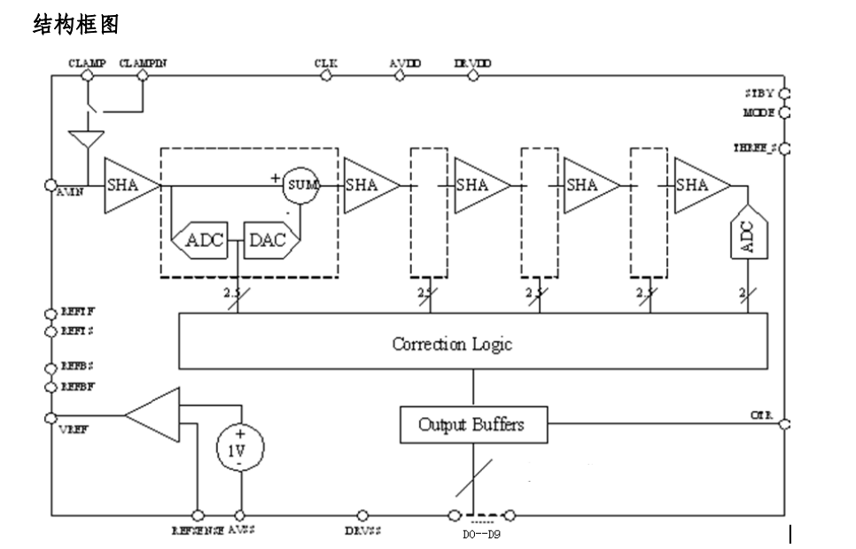
MS9280內部集成的采樣保持放大器,既適合復用系統又適合開關全波電壓范圍的連續信道,采樣單信道輸入頻率可以超過奈奎斯特頻率。交流耦合輸入可以借助內部的鉗位電路移位到一定的固定電平,動態性能非常完好。
MS9280內部集成了可編程基準源。根據系統需要也可以選擇外部高精度基準滿足系統精度的要求。
單時鐘輸入控制內部的轉換周期;數字輸出二進制的數據信息。超出量化范圍檢測位信息表征了輸入信號超過了較小和較大量化范圍的信息。
MS9280可工作在2.7V~5.5V單電源范圍,適合高速低功耗的應用范圍。MS9280適合工業溫度范圍(-40℃~+85℃)。
結構框圖:
高速模數轉換芯片 - MS9280的特性:
10 bit、50MSPS、流水線ADC
低功耗:90mV(3V電源下)
寬工作范圍:+2.7~+5.5V
高線性度:DNL:0.2LSB
低功耗模式控制
三態門輸出
量化范圍檢測
內建鉗位功能
高精度可編程基準電源
中頻亞采樣高達135MHZ
在國產模數轉換芯片領域,瑞盟科技便是國產品牌中的佼佼者。了解更多關于瑞盟科技國產模數轉換芯片的技術應用,聯系ISweek工采網“在線客服”獲取產品PDF、技術支持和DEMO板、可申請樣片。
轉載請注明出處:傳感器應用_儀表儀器應用_電子元器件產品 – 工采資訊 http://www.iohhome.com/41394.html






