?LED驅動控制器的工作原理?主要包括將交流電轉換為直流電,并通過電子元器件調整電流和電壓,以滿足LED燈的工作要求。LED驅動控制器的主要功能是將交流電壓轉換為適合LED工作的電流,確保LED能以恒定電流工作,從而發揮最佳性能?。
LED驅動控制器的工作原理:
電源輸入?:LED驅動控制器首先接收交流電(如市電)或直流電,并將其轉換為適合LED工作的電壓和電流。
電壓和電流調整?:通過內部的電子元器件(如整流電路、濾波電路和穩壓電路),控制器將輸入的電壓和電流調整為恒定的直流電,通常為恒流或恒壓輸出?。
保護功能?:LED驅動控制器還具備過壓、過流、過熱、短路、開路等保護功能,以確保LED燈和驅動器的安全運行?。
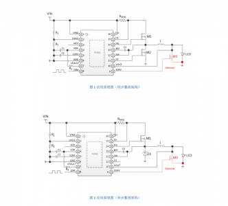
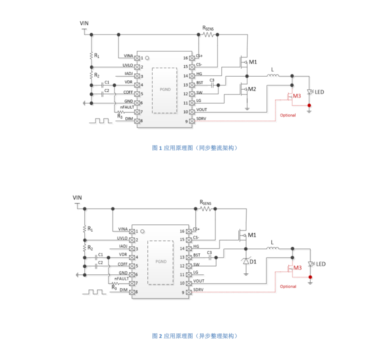
由工采電子代理的SS8102是一款高效率、恒電流、降壓型同步半橋DC/DC轉換器驅動芯片,較大輸出電流能力達25A,PWM調光分辨率超過100K:1。SS8102有同步模式和異步模式兩種工作模式可供選擇,客戶可以根據自己的需求來靈活設計。
SS8102采用遲滯式恒定關斷時間的工作模式,無需外部補償設計。較大簡化外部器件,其輸出電流能力既可以通過不同阻值的外接電阻(Rcs)調整,也可以通過調節模擬調光控制引腳IADJ上的電壓來實現。電流能力可達25A。通過DIM管腳輸入PWM信號來靈活實現對LED的調光控制。
SS8102有同步模式和異步模式兩種工作模式可供選擇,客戶可以根據自己的需求來靈活設計。
SS8102具有良好的線性度和穩定的恒流特性,可以精確調光并在惡劣供電條件下穩定工作。
針對低灰度調光特性進行系統運算優化,實現低灰調光無抖動及閃爍問題,使LED有更好的線性度調光特性。
PWM及線性調光雙重控制并存,可執行獨立調光電流控制。
SS8102提供一系列保護功能,包括欠壓鎖定保護(UVLO)、過熱保護(OTP)、LED開路與短路保護,輸出欠壓保護功能等。SS8102使用具有散熱片的封裝,因此系統可以在大電流通過時穩定工作。
典型應用電路:
LED驅動芯片 - SS8102的特性:
較大輸出25A驅動電流
100K:1以上高PWM調光分辨率
模擬調光比 250:1
輸入電壓范圍: 8V~45V
開關電源頻率可調整
封裝:eTSSOP16
良好的調光線性度
穩定的恒流特性
保護特征
- VCC欠壓鎖定
- 過流保護
- 過熱保護
- 輸出欠壓保護
- LED開路保護
LED驅動IC - SS8102的應用:
舞臺照明
影視燈光
投影儀
工業照明LED驅動
工業激光
汽車照明
深圳率能半導體在LED驅動領域深耕多年,技術以及產品方面已經很完善,如果想了解更多LED驅動的技術資料,請登錄工采網官網進行咨詢。
轉載請注明出處:傳感器應用_儀表儀器應用_電子元器件產品 – 工采資訊 http://www.iohhome.com/40483.html






