工采網代理的國產品牌Ruimeng?TECHNOLOGY推出的高速模數轉換芯片-?MS2510是8比特,20MSPS模數轉換器(ADCs),同時使用一個半閃速結構。MS2510在5V的電源電壓下工作,其典型功耗只有130mW,包括一個內部的采樣保持電路,具有高阻抗方式的并行輸出口以及內部基準電阻。
與閃速轉換器(flashconverters)相比,半閃速結構減少了功耗和晶片尺寸。通過在2步過程(2-stepprocess)中實現轉換,可以大大減少比較器的數目。轉換數據等待時間為2.5個時鐘。
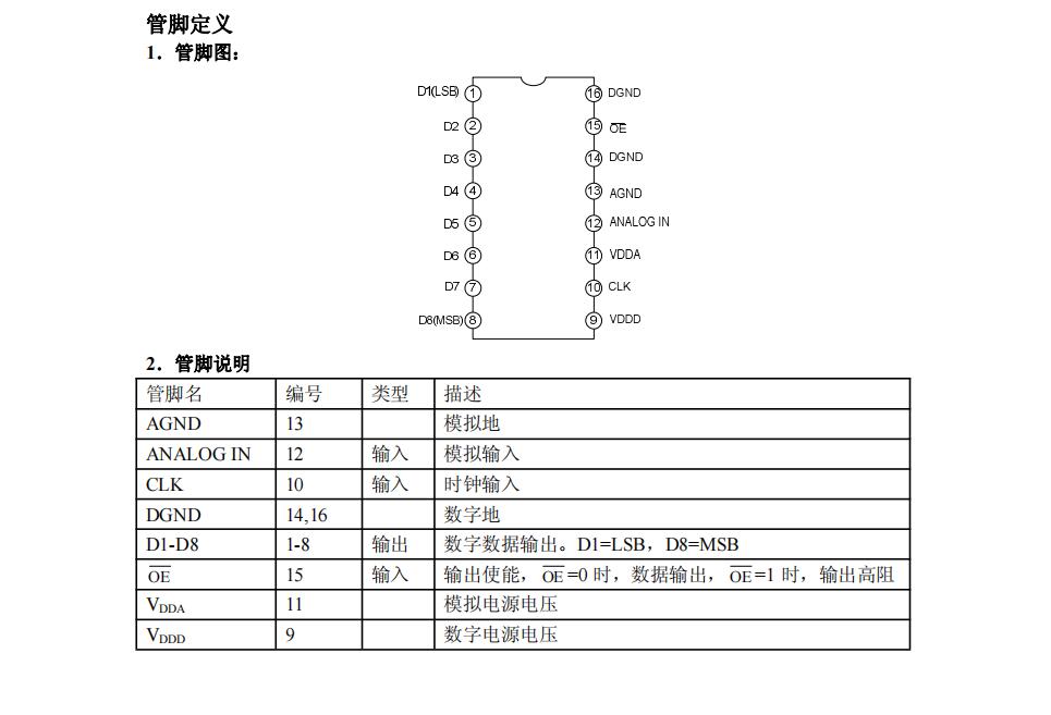
高速模數轉換芯片-?MS2510有兩種工作模式。模式一使用3個內部基準電阻連接VDDA可產生標準的2V(5VDD)/1.3V(3.3VDD)滿度轉換范圍。為了實現此選項僅需外部跳線器。模式二通過內部電阻區產生標準的4V滿度轉換范圍。這減少了對外部基準或電阻器的需求。差分線性度在25°C溫度下為0.5LSB,在整個工作溫度范圍內的值是0.75LSB。用差分增益1%和差分相位為0.7%可以規定動態特性范圍。
MS2510的工作溫度范圍從-20°C至75°C。
特點:
■模擬信號輸入范圍:
?-模式一...2VMAX
?-模式二...4VMAX
■8比特分辨率
■積分線性誤差
?±0.75LSB(25°C)
?±1LSB(-20°C-75°C)
■微分線性誤差
?±0.5LSB(25°C)
?±0.75LSB(-20°C-75°C)
■快轉換頻率
?20MSPS
■3.3V/5V單電源工作
■低功耗
?模式一...127.5mW
?模式二...150mW
轉載請注明出處:傳感器應用_儀表儀器應用_電子元器件產品 – 工采資訊 http://www.iohhome.com/18587.html





