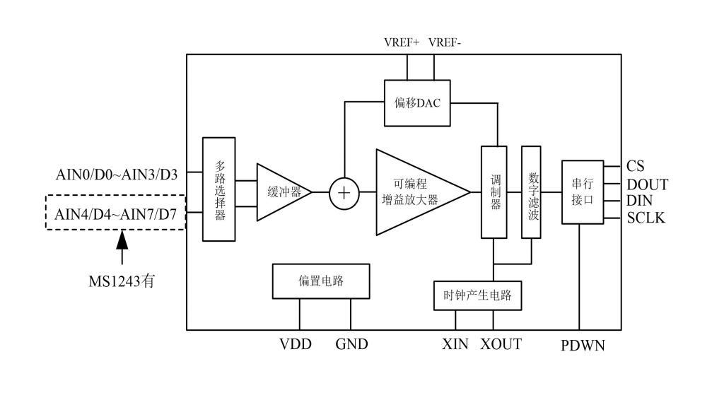
高精度模數轉換芯片 - MS1242/MS1243是一款高精度、寬動態范圍、Σ-Δ模數轉換芯片,其工作電壓為2.7V至5.25V,可以達到24bit無失碼轉換,且其有效精度可達21bit。可以廣泛使用在工藝控制、量重、液體/氣體化學分析、血液分析、智能發送器、便攜測量儀器領域。
主要特點:
·?24位無失碼、21位有效精度模數轉換器
·?集成50Hz、60Hz陷波(可達-90dB)
·?INL小于0.0015%
·?可編程增益(1~128)
·?單時鐘周期準備就緒
·?可編程模數轉換(ADC)數據速率輸出
·?外接參考電壓范圍可以為0.1V~5V
·?芯片帶有校正
·?集成兼容SPI總線接口
·?低功耗0.6mW
·?模擬輸入通道數:4個(MS1242)、8個模擬輸入通道(MS1243)
應用:
·?工業過程控制
·?重量計
·?液體/氣體化學分析
·?血液計
·?智能變換器
·?便攜式設備
內部框圖:
轉載請注明出處:傳感器應用_儀表儀器應用_電子元器件產品 – 工采資訊 http://www.iohhome.com/17624.html






