低噪聲運算放大器 - MS8361、MS8362?是單通道和雙通道的軌到軌輸入輸出單電源供電運放。它們具有低的失調電壓,低的輸入電壓電流噪聲和寬的信號帶寬。 低失調,低噪,低輸入偏置電流和寬的帶寬的結合使得 MS836X 運放適用于各種應用。其優異的性能能夠進入濾波器,積分器,光電放大器和高阻抗傳感器應用,音頻和一些AC應用得益于其寬的帶寬和低的失真。 MS836X的工作溫度范圍在-40℃到125℃。
主要特點:
● 低失調電壓:典型 65uV,大 300uV
●?低的輸入偏置電流: 1pA
●?單電源: 2.7V 到 5.5V
●?低噪: 9.5nV/√Hz
●?寬帶寬: 16MHz
●?單位增益穩定
應用:
●?光電放大
●?多階濾波器
●?傳感器
●?音頻
●?條形掃描器
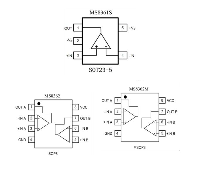
產品信息:
轉載請注明出處:傳感器應用_儀表儀器應用_電子元器件產品 – 工采資訊 http://www.iohhome.com/17612.html






