485/422芯片 - MS1585/MS1585M/MS1585D是半雙工、自適應總線極性、±20kV ESD,可應用于RS-485通信系統的收發芯片,傳輸和接收速率可高達10Mbps。片內集成瞬態保護功能,保護器件不受IEC61000靜電放電(ESD)和瞬態放電(EFT)的影響。此器件具有寬的共模電壓范圍,適合于長電纜運行上的多點應用。
主要特點:
·?總線引腳保護
±20kV的人體模型(HBM)保護
±12kV IEC61000-4-2接觸放電
+4kV IEC61000-4-4快速瞬態突發
·?總線連接個數多達:256
·?76ms內A、B 極性糾正
·?數據速率:300bps至10Mbps
·?工作電壓范圍4.5V~6.0V
·?三態輸出
·?兼容其他485芯片
應用:
·?工業自動化
·?電表
·?加熱、通風和空調環境系統(HVAC)
·?DMX512網絡
·?過程控制
·?運動控制
·?RS485接口
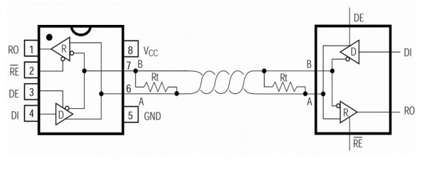
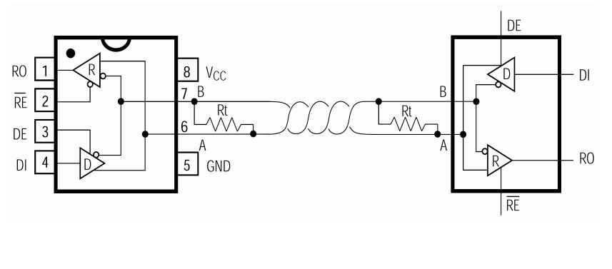
典型應用圖:
轉載請注明出處:傳感器應用_儀表儀器應用_電子元器件產品 – 工采資訊 http://www.iohhome.com/17587.html






